AS172-73LF PHEMT GaAs IC Transfer Switch
300 kHz–2 GHz
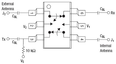
The AS172-73 is a PHEMT GaAs IC 4 port switch designed to combine T/R and antenna changeover switching capability within one device. This switch has two controls and is ideal for applications requiring low power consumption. The AS172-73 has excellent performance to 2 GHz, making it suitable for dual-band handset designs.
技术特性
- High linearity (50 dBm IP3 @ 0.9 GHz) @ 3 V
- Low insertion loss (0.4 dB @ 0.9 GHz)
- Isolation (20 dB @ 0.9 GHz)
- Simultaneous T/R switching
- Available lead (Pb)-free and RoHS-compliant MSL-1 @ 260 °C
per JEDEC J-STD-020
订购信息 Ordering Information
|
引脚定义

|