AS191-73LF PHEMT GaAs IC High-Linearity 3 V
Control SPDT Switch 0.1–4 GHz
The AS191-73 is a PHEMT GaAs FET IC high-linearity SPDT switch in a SOT-6 plastic package. This switch has been designed for use where extremely high linearity, low control voltage, high isolation, low insertion loss and ultraminiature package size are required. It can be controlled with positive, negative or a combination of both voltages. Some standard implementations include antenna changeover, T/R and diversity switching over 3 W. The AS191-73 switch can be used in many analog and digital wireless communication systems including cellular, GSM and DECT applications.
技术特性
- 2.5 to 5 V linear operation
- Harmonics H2, H3 > 65 dBc @ PIN = 34.5 dBm
- Low insertion loss (0.5 dB @ 0.9 GHz)
- High isolation (27 dB @ 0.9 GHz)
- Ultraminiature SOT-6 package
- PHEMT process
- Available lead (Pb)-free and RoHS-compliant MSL-1 @ 260 °C
per JEDEC J-STD-020
订购信息 Ordering Information
|
应用领域 APPLICATION
- Typical applications include GSM, PCS, WCDMA, 2.4 GHz ISM
and 3.5 GHz wireless local loop
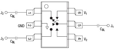
AS191-73LF 引脚定义

|