AS192-000 PHEMT GaAs IC High-Power
SP4T Switch 0.1–2.5 GHz
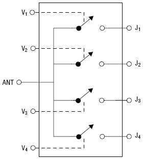
The AS192-000 is a reflective SP4T switch. It is an ideal switch for higher power applications. It can be used for GSM dual-band handset applications where low loss, low current and small size are critical parameters.
技术特性
- 4 symmetric RF paths
- Positive voltage control
- High IP3
- Excellent harmonic performance
- Handles GSM power levels
- Available in 100% RF tested chip form
- Available lead (Pb)-free, RoHS-compliant, and Green
订购信息 Ordering Information
|
功能框图 Functional Block Diagram

|