AS195-306LF PHEMT GaAs IC High-Power
SP5T Switch 0.1–2 GHz
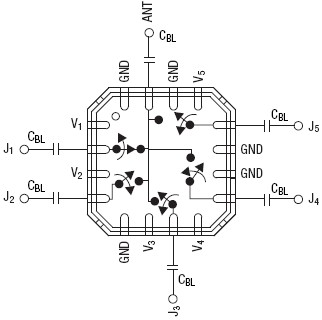
The AS195-306 is a reflective SP5T switch. It is an ideal switch for higher power applications. It can be used for GSM dual-band handset applications where low loss, low current and small size are critical parameters.
技术特性
- 5 symmetric RF paths
- Positive voltage control
- High IP3
- Excellent harmonic performance
- Handles GSM power levels
- Available in QFN-16 (4 x 4 mm) package
- Available lead (Pb)-free and RoHS-compliant MSL-1 @ 260 °C
per JEDEC J-STD-020
订购信息 Ordering Information
|
引脚定义

|