AS204-80LF GaAs IC SP4T Nonreflective
Switch With Driver 300 kHz–3.5 GHz
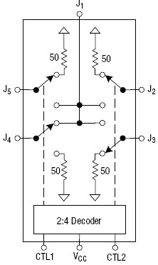
The AS204-80 is a high-isolation SP4T FET IC nonreflective switch with driver. The insertion loss is 0.5 dB and isolation is 45 dB at 0.9 GHz. The switch is ideal for cellular base station switch matrices.
技术特性
- Integrated driver 5 V supply voltage
- High isolation (45 dB @ 0.9 GHz)
- Low insertion loss (0.5 dB @ 0.9 GHz)
- SSOP-16 plastic package
- Nonreflective all ports
- ESD rated at class 1A HBM
- Available lead (Pb)-free and RoHS-compliant MSL-1 @ 260 °C
per JEDEC J-STD-020
订购信息 Ordering Information
|
功能框图 Functional Block Diagram

|