AS214-92LF PHEMT GaAs IC SPDT
Switch 0.1–3 GHz
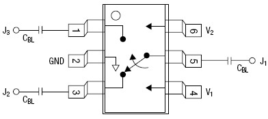
The AS214-92 is a medium-power IC FET SPDT switch in a lowcost miniature SC-70 6-lead plastic package. The AS214-92 features low insertion loss and positive voltage operation with very low DC power consumption. This general purpose switch can be used in a variety of telecommunications applications.
技术特性
- Low insertion loss (0.4 dB @ 2.4 GHz)
- Isolation 26 dB @ 2.4 GHz
- Low DC power consumption
- PHEMT process
- Operates at 1.8 V control voltage
- Available lead (Pb)-free and RoHS-compliant MSL-1 @ 260 °C
per JEDEC J-STD-020
订购信息 Ordering Information
|
应用领域 APPLICATION
- T/R switch in WLANs, BluetoothTM and medium-power
telecommunication applications
引脚定义

|