AS215-92LF Single Positive Control PHEMT
GaAs IC SPDT Switch 0.5–3 GHz
The AS215-92 is a medium-power IC FET SPDT switch in a lowcost, miniature SC-70 6-lead plastic package. The AS215-92 features low insertion loss and positive voltage operation with very low DC power consumption. This general-purpose switch can be used in a variety of telecommunications applications.
技术特性
- Single bias control
- Operates with 1.8 V control voltage
- Low DC power consumption
- Available lead (Pb)-free and RoHS-compliant MSL-1 @ 260 °C
per JEDEC J-STD-020
订购信息 Ordering Information
|
应用领域 APPLICATION
- T/R switch in WLANs, BluetoothTM and medium-power
telecommunication applications
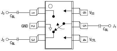
引脚定义

|