AS218-321LF PHEMT GaAs IC High-Power
Transfer Switch 0.1–6 GHz
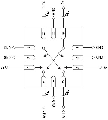
The AS218-321 is a broadband transfer switch designed to combine T/R and antenna diversity switching functions on a single IC. The device is designed to handle high power and maintain high linearity at low control voltages. This low-cost switch is ideal for Wi-Fi systems and is capable of covering both the 2.4 and 5 GHz bands.
技术特性
- Operating frequency 0.1–6 GHz
- Positive low voltage control (0/3 V operation)
- Low insertion loss
- Available lead (Pb)-free and RoHS-compliant MSL-1 @ 250 °C
per JEDEC J-STD-020
应用领域 APPLICATION
- WLAN 802.11a, b, g diversity
订购信息 Ordering Information
|
引脚定义

|