AS221-306LF PHEMT GaAs IC High-Power
SP4T Switch 0.1–2.5 GHz
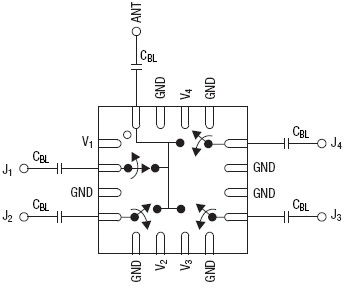
The AS221-306 is a reflective SP4T switch. It is an ideal switch for higher power applications. It can be used for GSM dual-band handset applications where low loss, low current, and small size are critical parameters.
技术特性
- Four symmetric RF paths
- Positive voltage control @ 2.6 V
- High IP3
- Excellent harmonic performance
- Handles GSM power Levels
- Available in QFN-16 (4 x 4 mm) package
- Available lead (Pb)-free and RoHS-compliant MSL-1 @ 260 °C per
JEDEC J-STD-020
订购信息 Ordering Information
|
功能框图 Functional Block Diagram

|