SE2594L Dual-Band 802.11a/b/g/n Wireless LAN Front-End
Preliminary Information
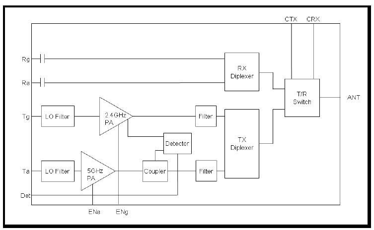
The SE2594L is a complete 802.11a/b/g/n WLAN RF front-end module providing all the functionality of the power amplifiers, filtering, power detector, T/R switch, diplexers and associated matching. The SE2594L provides a complete 2.4 GHz and 5 GHz WLAN RF solution from the output of the transceiver to the antenna in an ultra compact form factor. Designed for ease of use, all RF ports are matched to 50 Ω to simplify PCB layout and the interface to the transceiver RFIC. The SE2594L also includes a transmitter power detector for each band and transmit chain with 20 dB of dynamic range for each transmit chain. Each transmit chain has a separate digital enable control for transmitter power ramp on/off control. The power ramp rise/fall time is less than 0.7 μsec. The device also provides a notch filter from 3.260-3.267 GHz and 3.28-3.89 GHz prior to the input of each 2.4 GHz and 5 GHz power amplifiers, respectively. The SE2594L packaged in 5mm x 5mm x 0.9mm, Halogen free, Lead free, ROHS compliant, MSL 3 QFN package.
技术特性
- All RF ports matched to 50 Ω
- Integrated 2.4 GHz PA, 5 GHz PA, TX Filter, T/R switches and diplexers
- Integrated Power Detector for each TX Chain
- 21 dBm O/P Power, 802.11b, 11 Mbps, ACPR = 35 dBc
- 18 dBm @ 3.0 % EVM, 802.11g, 54 Mbits
- 16.5 dBm @ 3.0 % EVM, 802.11a, 54 Mbits
- Single supply voltage: 3.3 V ± 10 %
- Lead free, Halogen free, RoHS compliant, MSL 3
- 5mm x 5mm x 0.9mm, QFN Package
应用领域 APPLICATION
- IEEE802.11b DSSS WLAN
- IEEE802.11g OFDM WLAN
- IEEE802.11a OFDM WLAN
- IEEE802.11n WLAN
- Access Points, PCMCIA, PC cards
|
订购信息 Ordering Information
| Part Number |
Package |
Remark |
| SE2594L |
16 Pin QFN |
Samples |
| SE2594L-R |
16 Pin QFN |
Tape and Reel |
| SE2594L-EK1 |
Evaluation Kit |
Standard |
功能框图 Functional Block Diagram

|