SE5511T Dual Band 802.11n WLAN/BT Front End
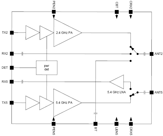
The SE5511T is a complete 802.11n WLAN RF front-end module providing all the functionality of the power amplifiers, LNA, power detector, Antenna switches, filtering and associated matching. The SE5511T provides a complete 2.4 GHz and 5 GHz WLAN RF solution from the output of the transceiver to the antennas in a compact form factor. The receive path is designed to maximize performance by providing both a 5 GHz Low noise amplifier with bypass mode, for use when high power signals are being received. Designed for ease of use, all RF ports are matched to 50 Ω to simplify PCB layout and the interface to the transceiver RFIC. The SE5511T also includes a transmitter power detector for each band with 20 dB of dynamic range
技术特性
- All RF ports matched to 50 Ω
- Integrated 2.4,5 GHz PA, 5 GHz LNA, SP3T, SP2T switches and filtering
- Integrated Power Detector
- 19.5 dBm @ 3 % EVM, 802.11g, 54 Mbps
- 18 dBm @ 3 % EVM, 802.11a, 54 Mbps
- Lead free, Halogen Free and RoHS compliant
- Compact package, 3 x 4 x 0.6 mm, MSL 1
应用领域 APPLICATION
- IEEE802.11b DSSS WLAN
- IEEE802.11a,g,n OFDM WLAN
- Embedded applications with Bluetooth (Mobile)
|
订购信息 Ordering Information
| Part Number |
Package |
Remark |
| SE5511T |
16 Pin QFN |
Samples |
| SE5511T-R |
16 Pin QFN |
Tape and Reel |
| SE5511T-EK1 |
Evaluation Kit |
Standard |
功能框图 Functional Block Diagram

|