SKY13322-375LF 20 MHz-6.0 GHz GaAs SP4T Switch
The SKY13322-375LF is a GaAs FET I/C single-pole, four-throw (SP4T) switch. This general purpose switch is an ideal choice for a variety of multiband telecommunication applications up to 6 GHz. The switch is manufactured in a compact, 2 x 3 mm, 10-pin exposed pad plastic Micro Leadframe Package Dual (MLPD) package.
技术特性
- Broadband frequency range: 20 MHz to 6.0 GHz
- Low insertion loss: 0.45 dB @ 1 GHz
- Very high isolation: 28 dB @ 1 GHz
- Excellent linearity peformance: P1dB = +30 dBm @ 3.3 V
- Operating voltage range from 1.8 to 5.0 V
- Small, MLPD (10-pin, 2 x 3 mm) package (MSL1, 260 C per
JEDEC J-STD-020)
订购信息 Ordering Information
|
应用领域 APPLICATION
- Multiband telecommunications up to 6 GHz
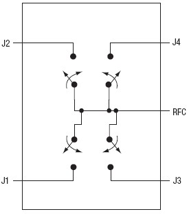
功能框图 Functional Block Diagram

|