SKY13399-468LF 0.7 – 2.7 GHz DPx3T Switch
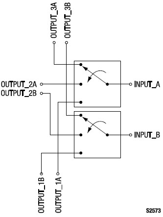
The SKY13399-468LF is a double-pole, crossed three-throw (DPx3T) switch with on-die crossovers. The two inputs can be switched to three different pairs of outputs. Two control lines are used to determine which pair of outputs is connected. The SKY13399-468LF is manufactured using a state of the art Silicon on Insulator (SOI) process, and is provided in a compact Quad Flat No-Lead (QFN) 2 x 2 mm package.
技术特性
- Broadband frequency range: 0.7-2.7 GHz
- Low insertion loss: 0.35 dB typical @ 1 GHz and 0.4 dB typical @ 2.2 GHz
- Wide VDD supply range: 2.5 to 4.8 V
- Crossovers implemented on die for ease of use
- Small, QFN (18-pin, 2 x 2 mm) package (MSL1, 260 °C per JEDEC J-STD-020)
订购信息 Ordering Information
|
应用领域 APPLICATION
- GSM, DCS, PCS, CDMA, WCDMA, and TD-SCDMA differential filter switching
功能框图 Functional Block Diagram

|