SKY13406-389LF 0.4-2.7 GHz SP10T Switch with GPIO

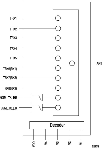
The SKY13406-389LF is a Single Pole, Ten-Throw (SP10T) antenna switch with an integrated General Purpose Input/Output (GPIO) interface and dual low-pass harmonic filters. The switch has eight transmit/receive ports, any of which can be used for WCDMA transmit/receive or GSM receive functions. Using advance switching technologies, the SKY13406-389LF maintains low insertion loss and high isolation for both transmit and receive switching paths. The switch also exhibits an excellent triple beat ratio and 2nd/3rd order modulation distortion performance. Band 13 2nd harmonic requirements can be met without the use of an external filter.

技术特性
  • Broadband frequency range: 0.4 to 2.7 GHz
  • Single, positive DC power supply (2.5 to 3.3 V)
  • Excellent Band 13 2nd harmonic rejection
  • Integrated, low-pass harmonic filter for GSM transmit paths
  • Integrated GPIO interface
  • Any of eight TRX ports can be used for WCDMA transmit/receive or GSM receive functions
  • Small QFN (26-pin, 3.0 x 3.8 mm) package (MSL1, 260 °C per JEDEC J-STD-020)
应用领域 APPLICATION
  • 2G/3G multimode cellular handsets (UMTS, CDMA2000, EDGE, GSM)
  • Embedded data cards
订购信息 Ordering Information
  • SKY13406-389LF

 

功能框图 Functional Block Diagram

SKY13406-389LF 功能框图

应用技术支持与电子电路设计开发资源下载 版本信息 大小
SKY13406-389LF 数据资料DataSheet下载:pdf Rev.V2 2 页