SKY13412-487LF 0.4-2.7 GHz SP12T Switch with GPIO Interface

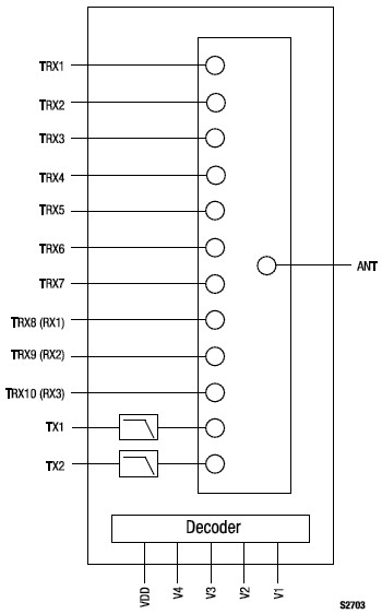
The SKY13412-487LF is a Single Pole, Twelve Throw (SP12T) antenna switch with integrated GSM transmit harmonic filter. The SKY13412-487LF maintains a high linearity, high isolation, and low insertion loss performance, which makes it an ideal choice for UMTS, CDMA2000, EDGE, GSM, and LTE applications. The design features two dedicated GSM transmit ports. The remaining ten ports are suitable for WCDMA transmit/receive and GSM receive functions. Three transmit ports have been specifically designed to provide optimal LTE Band 13 performance. The switch exhibits an excellent triple beat ratio and 2nd/3rd order modulation distortion performance.

技术特性
  • Broadband frequency range: 0.4 to 2.7 GHz
  • Low insertion loss
  • High isolation and linearity
  • Integrated GSM harmonic filter
  • Integrated GPIO interface
  • Ten TRX ports, one GSM low band transmit port, and one GSM high band transmit port
  • Small QFN (30-pin, 3.0 x 3.8 x 0.75 mm) package (MSL1, 260 °C per JEDEC J-STD-020)
应用领域 APPLICATION
  • 2G/3G/4G multimode cellular handsets (LTE, UMTS, CDMA2000, EDGE, GSM)
  • Embedded data cards
订购信息 Ordering Information
  • SKY13412-487LF

 

功能框图 Functional Block Diagram

SKY13412-487LF 功能框图

应用技术支持与电子电路设计开发资源下载 版本信息 大小
SKY13412-487LF 数据资料DataSheet下载:pdf Rev.V2 2 页