SKY18106-455LF 0.4 – 2.2 GHz SP8T Antenna Switch With GSM Transmit Filters
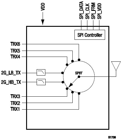
The SKY18106-455LF is a single-pole, eight-throw (SP8T) Front-End Module (FEM) switch designed for multi-mode, high-power switching applications that demand low harmonics and low insertion loss. The switch is optimized for both 2G GSM/EDGE and 3G WCDMA applications. No external blocking capacitors are required on the RF ports. The SKY18106-455LF consists of an SP8T switch, GSM transmit signal harmonic filters, and a Serial Peripheral Interface (SPI) controller. The low current consumption of the device makes it very suitable for battery-operated applications. The switch is manufactured using a state of the art pHEMT process, and is provided in a compact 3.0 x 3.8 mm Quad Flat No-Lead (QFN) package.
技术特性
- Wideband frequency range: 0.4 to 2.2 GHz
- Supports quad-band GSM/EDGE with up to six bands of WCDMA or LTE
- Low insertion loss:
− 0.75 dB @ GSM, 1 GHz (includes transmit filter loss)
− 0.90 dB @ GSM, 2 GHz (includes transmit filter loss)
− 0.50 dB @ WCDMA transmit, 1 GHz
− 0.75 dB @ WCDMA transmit, 2.1 GHz
- Good 2nd and 3rd harmonic performance: –45/–45 dBm @ +35 dBm and +33 dBm for low band and high band, respectively
- Over 20 dB GSM/EDGE harmonic attenuations
- Battery supply voltage: 2.65 to 6.00 V
- SPI logic (VHIGH = 1.8 V)
- Small, QFN (26-pin, 3.0 x 3.8 mm) package (MSL1, 260 °C per JEDEC J-STD-020)
应用领域 APPLICATION
|
订购信息 Ordering Information
功能框图 Functional Block Diagram

|