SKY65111-348LF ISM 600–1100 MHz Band 2 Watt InGaP HBT Power Amplifier
The SKY65111-348LF is a high performance power amplifier that is optimized for ZigBee® and 802.15.4 applications. The SKY65111-348LF is designed for ease of use and maximum flexibility, with an integrated input match and a digital enable control for Complementary Metal Oxide Semiconductor (CMOS) compatible device on/off control.
技术特性
- Optimized for 800–1100 MHz operation
- Output power greater than 33 dBm @915 MHz
- 3.5 V nominal operating voltage
- Integrated analog power control voltage, VAPC = 0.1–2.8 V
- High PAE at maximum output power
- Ultrasmall, thermally enhanced micro lead frame package.
- Low current in standby mode of < 10 μA
- Available on tape and reel
- Available lead (Pb)-free and RoHS-compliant
订购信息 Ordering Information
|
应用领域 APPLICATION
- Connect DC ground.
- Connect all VCC and VREF lines to 3.5 V supply, labeled 2.
- With the RF off, apply 2.7 VDC to VAPC1, 2 control pins.
Verify the ICQ current is approximately 250 mA, labeled 3.
- Apply RF signal data -30 dBm level and observe that the
output level is approximately 10 dBm or the gain of the
device is approximately 40 dB.
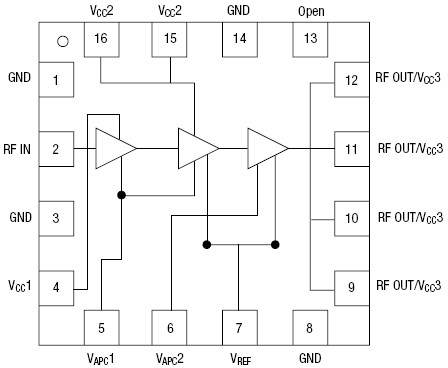
功能框图 Functional Block Diagram

|