SKY73009 400 – 3000 MHz Direct Quadrature Demodulator
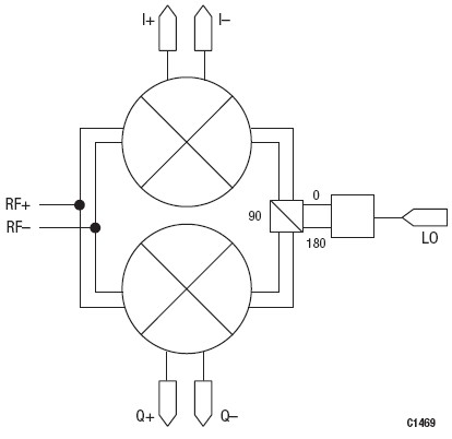
SKYWORKS SKY73009 is an integrated, broadband, high-dynamic range quadrature demodulator for use in various wireless communication system applications. The SKY73009 can perform quadrature demodulation of RF input signals from 400 to 3000 MHz directly to baseband frequencies. The quadrature outputs are differential and can be directly connected to most commonly available A/D converters.
技术特性
- High IIP2 and IIP3
- Wideband RF input frequency range (400 to 3000 MHz)
- Wideband LO input frequency range (400 to 3000 MHz)
- Integrated LO balun
- Integrated LO amplifier
- On-chip I/Q phase splitter
- Differential IF output supports direct interface to A/D circuitry
- AM demodulation immunity
- Single +3.0 V supply
- RFLGA™ (32 pin, 5 x 5 mm) Pb-free package (MSL3, 260 °C
per JEDEC J-STD-020)
应用领域 APPLICATION
- PCS, DCS, GSM/GPRS, and EDGE receivers
- Third Generation (3G) wireless communications
- Power amplifier feedback/linearization
- Wireless Local Loops (WLLs)
- Wireless Local Area Networks (WLANs)
|
订购信息 Ordering Information
功能框图 Functional Block Diagram

|