SKY73062-11 700 – 1000 MHz High Linearity, Single
Up/Downconversion Mixer
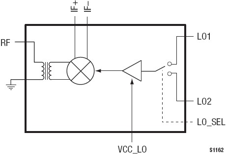
The SKY73062-11 is a fully integrated up/downconversion mixer that includes a Local Oscillator (LO) driver, an LO switch, and a high linearity mixer. A low loss RF balun has also been included to reduce design complications and lower system cost. The SKY73062-11 features an input IP3 of +28.7 dBm and an insertion loss of 6.3 dB, making the device an ideal solution for high dynamic range systems such as 2G/3G base station receivers. The LO switch provides more than 40 dB of isolation between LO inputs and supports the switching time required for GSM/EDGE base stations.
技术特性
- Operating frequency range: 700 to 1000 MHz
- IF frequency range: 50 to 300 MHz
- Insertion loss: 6.3 dB
- Input IP3: +28.7 dBm
- Noise Figure: 7.2 dB
- Integrated LO driver
- Integrated low loss RF balun
- On-chip SPDT LO switch (greater than 40 dB LO-to-LO isolation)
- Small, MCM (20-pin, 5 x 5 mm) package (MSL3, 260 °C per
JEDEC J-STD-020)
应用领域 APPLICATION
- 2G/3G base station transceivers:
− GSM/EDGE, CDMA, UMTS/WCDMA
- Wi-Fi (802.11)
- WiMAX (802.16)
- 3GPP Long-Term Evolution
- Wireless Local Loop
- High performance radio links
- Land mobile radio
- Private mobile radio
|
订购信息 Ordering Information
功能框图 Functional Block Diagram

|