SKY73087-11 700 – 1000 MHz High Gain and Linearity Diversity Downconversion Mixer
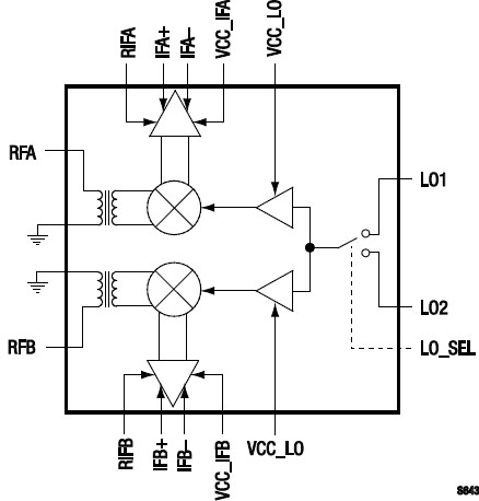
The SKY73087-11 is a fully integrated diversity mixer that includes Local Oscillator (LO) drivers, an LO switch, high linearity mixers, and large dynamic range Intermediate Frequency (IF) amplifiers. Low loss RF baluns have also been included to reduce design complications and lower system cost. The SKY73087-11 features an input IP3 of +25.3 dBm and a Noise Figure (NF) of 10.7 dB, making the device an ideal solution for high dynamic range systems such as 2G/3G base station receivers. The LO switch provides more than 57 dB of isolation between LO inputs and supports the switching time required for GSM/EDGE base stations.
技术特性
- Operating frequency range: 700 to 1000 MHz
- IF frequency range: 100 to 500 MHz
- Conversion gain: 8.8 dB
- Input IP3: +25.3 dBm
- Output IP3: +34.1 dBm
- Noise figure: 10.7 dB
- Integrated LO drivers
- Integrated low loss RF baluns
- High linearity IF amplifiers
- On-chip SPDT LO switch (greater than 60 dB LO-to-LO isolation)
- Small, MCM (36-pin, 6 x 6 mm) package (MSL3, 260 °C per JEDEC J-STD-020)
应用领域 APPLICATION
- 2G/3G base station transceivers:
− GSM/EDGE, CDMA, UMTS/WCDMA
- Land mobile radio
- High performance radio links
|
订购信息 Ordering Information
功能框图 Functional Block Diagram

|