SKY77527-21 Tx Front-End Module for Quad-Band GSM / EDGE

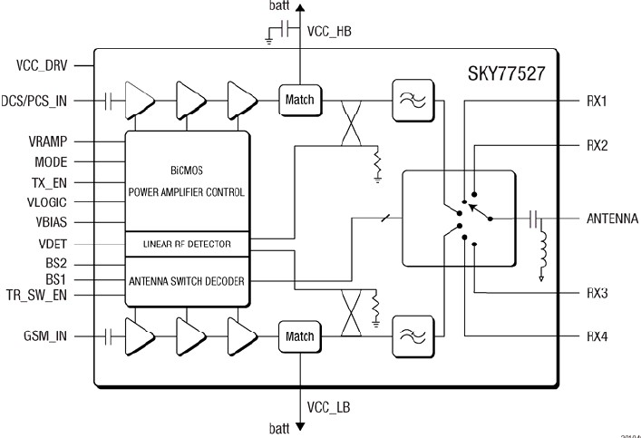
The SKY77527-21 Tx Front End Module (FEM) is designed in a compact form factor for quad-band cellular handsets comprising GSM850/900, DCS1800, PCS1900, supporting GMSK and linear EDGE modulation. Class 12 General Packet Radio Service (GPRS) multi-slot operation is also supported. The module consists of a GSM850/900 PA block and a DCS1800/PCS1900 PA block, impedancematching circuitry for 50 Ω input and output impedances, a multifunction power amplifier control (MFC) block, low pass harmonic rejection filters, and an SP6T Antenna T/R switch. Two separate Heterojunction Bipolar Transistor (HBT) PA blocks are fabricated onto an InGaP die; one supports the GSM850/900 bands, the other supports the DCS1800/PCS1900 bands. The InGaP PA die, the silicon MFC die, PHEMT switch die, and the passive components are mounted on a multi-layer laminate substrate. The assembly is encapsulated with plastic overmold. Band select (BS1 and BS2) circuitry is used to select the desired Tx and Rx frequency bands; MODE circuitry selects GMSK modulation (logic 0) or EDGE modulation (logic 1); VRAMP controls the output power for GMSK modulation; and VBIAS provides bias optimization for EDGE and GMSK modulation depending on the state of MODE control. The Multi-function Control (MFC) provides “pinout” for interoperation with an external power control loop. The external circuit uses the Linear Detector output to provide closed loop power control in both EDGE and GMSK modes of operation. The power control loop together with the MFC will reduce sensitivity to antenna load, input drive, temperature, power supply, and process variation. The combined circuit configures the PA for fixed gain in 8PSK mode while providing the ability to optimize the PA bias at different power levels to maximize efficiency.

技术特性
  • High efficiency:
    - GSM850 38% @ 32.7 dBm
    - GSM900 38% @ 32.7 dBm
    - DCS1800 33% @ 30.9 dBm
    - PCS1900 31% @30.9 dBm
  • Low loss PHEMT RF antenna switch
  • Detector output: linear V/V
  • Small outline: 8 x 6 mm
  • Low profile: 1.12 mm Max.
  • Low VRAMP current
订购信息 Ordering Information
  • SKY77527

 

应用领域 APPLICATION
  • Quad-band cellular handsets:
    GMSK Modulation:
    - Class 4 GSM850/900
    - Class 1 DCS1800/ PCS1900
    - Class 12 GPRS multi-slot operation
    EDGE modulation:
    - Class E2 GSM850/900
    - Class E2 DCS1800/ PCS1900
功能框图 Functional Block Diagram

SKY77527 功能框图

应用技术支持与电子电路设计开发资源下载 版本信息 大小
SKY77527 数据资料DataSheet下载:pdf Rev.V2 2 页