SKY77528 Tx Front-End Module for Quad-Band GSM / EDGE

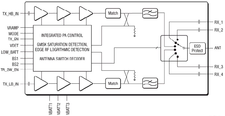
The SKY77528 is a transmit Front-End Module (FEM) designed for quad-band Global System for Mobile Communications (GSM), General Packet Radio Service (GPRS), and Enhanced Data Rate for GSM Evolution (EDGE) handsets and modules. The SKY77528 consists of a GSM850/EGSM900 PA block and a DCS1800/PCS1900 PA block, impedance-matching circuitry for 50 Ω inputs and outputs, a multi-function PA control block, lowpass harmonic rejection filter, and a transmit/receive antenna switch. Two Heterojunction Bipolar Transistor (HBT) PA blocks are fabricated onto an Indium Gallium Phosphide (InGaP) die; one block supports the GSM850 and EGSM900 bands, the other supports the DCS1800 and PCS1900 bands. The InGaP die, the Silicon (Si) die, the PHEMT die, and the passive components are mounted on a multi-layer laminate substrate. The entire assembly is encapsulated with plastic overmold. Pad signals BS1 and BS2 select the GSM/EGSM or DCS/PCS frequency bands. The TX_EN pad signal selects transmit or receive mode of the respective RF switch. MODE pad circuitry selects GMSK modulation or EDGE modulation. The VRAMP pad controls the output power for GMSK modulation and provides bias optimization for EDGE modulation depending on the state of the MODE pad. An integrated Multi-Function Control (MFC) circuit provides closed loop power control in GMSK mode, reducing sensitivity to antenna load, input drive, temperature, power supply, and process variation. In EDGE mode, the MFC configures the PA for fixed gain and provides the ability to optimize the PA bias operation at different power levels. The VDET pad is used to detect saturation conditions in GMSK mode (which automatically reduces the VRAMP output) and for power control in EDGE mode.

技术特性
  • High efficiency:
    - GSM850, 45% (peak)
    - EGSM900, 45% (peak)
    - DCS1800, 40% (peak)
    - PCS1900, 40% (peak)
  • Low-loss PHEMT RF antenna switch
  • Detector output: linear dB/V
  • Closed loop GMSK mode power control
  • Low VRAMP current
  • Low VBATT detection
  • Integrated temperature sensor
  • Small Package
    - 8 mm x 6 mm
  • Low Profile
    - 1.1 mm Max.
订购信息 Ordering Information
  • SKY77528

 

应用领域 APPLICATION
  • Quad-band, cellular
    handsets:
    - Class 4 GSM850/ GSM900
    - Class 1 DCS1800/ PCS1900
    - Class E2 GSM850/ EGSM900
    - Class E2 DCS1800/ PCS1900
    - Class 12 EGPRS multi-slot operation
功能框图 Functional Block Diagram

SKY77528 功能框图

应用技术支持与电子电路设计开发资源下载 版本信息 大小
SKY77528 数据资料DataSheet下载:pdf Rev.V2 2 页