SKY77531 Tx–Rx iPAC™ FEM for Quad–Band GSM/GPRS
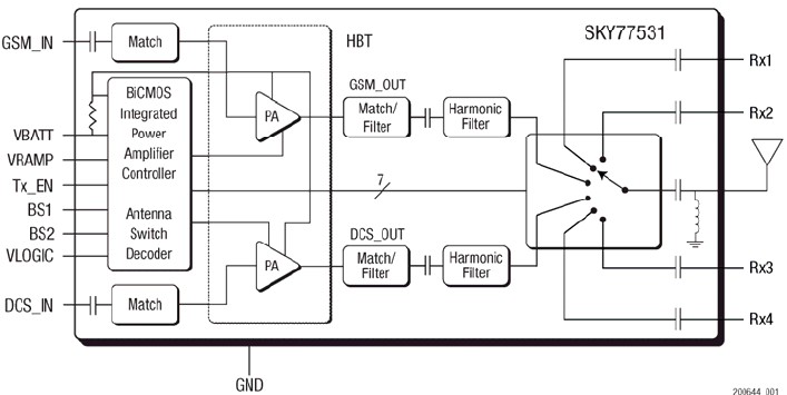
The SKY77531 is a transmit and receive front-end module (FEM) with Integrated Power Amplifier Control (iPAC™) for quad-band cellular handsets comprising GSM850/900 and DCS1800/PCS1900 operation. Designed in a low profile, compact form factor, the SKY77531 offers a complete Transmit VCO-to-Antenna and Antenna-to-Receive SAW filter solution. The FEM also supports Class 12 General Packet Radio Service (GPRS) multi-slot operation. The module consists of a GSM850/900 PA block and a DCS1800/PCS1900 PA block, impedancematching circuitry for 50 Ω input and output impedances, TX harmonics filtering, high linearity and a low insertion loss PHEMT RF switch, and a Power Amplifier Control (PAC) block with internal current sense resistor. A custom BiCMOS integrated circuit provides the internal PAC function and decoder circuitry to control the RF switches. The two Heterojunction Bipolar Transistor (HBT) PA blocks are fabricated onto a single Gallium Arsenide (GaAs) die. One PA block supports the GSM850/900 band and the other PA block supports the DCS1800/PCS1900 band. Both PA blocks share common power supply pads to distribute current. The output of each PA block and the outputs to the two receive pads are connected to the antenna pad through a PHEMT RF switch. The GaAs die, PHEMT die, Silicon (Si) die and passive components are mounted on a multi-layer laminate substrate. The assembly is encapsulated with plastic overmold.
技术特性
- High efficiency
- 48% (GSM850/900)
- 41% (DCS1800/PCS1900)
- Low transmit supply current
- 1.26 A (GSM850/900)
- 0.90 A (DCS1800/PCS1900)
- Internal ICC sense resistor for iPAC
- Closed loop iPAC
- 50 Ω matched Input/Output
- TX–VCO-to-antenna and antenna-to-RX-SAW filter RF interface
- TX harmonics below –33 dBm
- PHEMT RF switch affords high linearity, low insertion loss, and less than 20 μA supply current in receive modes
- Small outline: 6 mm x 8 mm
- Low profile: 1.05 mm
- Compatible with multiple logic families
- Low APC current: 25 μA
|
订购信息 Ordering Information
应用领域 APPLICATION
- Quad-band cellular handsets encompassing
- Class 4 GSM850/900
- DCS1800/PCS1900
- Class 12 GPRS multi-slot operation
功能框图 Functional Block Diagram

|