SKY77544 Tx-Rx FEM for Quad-Band GSM / GPRS / EDGE –
Triple-Band WCDMA Antenna Switch Support
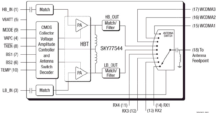
SKY77544 is a transmit and receive Front End Module (FEM) designed in a very low profile (0.9 mm), compact form factor for quad-band cellular handsets comprising GSM850/900, DCS1800, and PCS1900 operation — a complete transmit VCO-to-Antenna and Antenna-toreceive SAW filter solution. The FEM also supports Class 12 General Packet Radio Service (GPRS) multi-slot operation and EDGE Polar Modulation. WCDMA switch-through support is provided by three dedicated high-linearity ports. The module consists of a GSM850/900 PA and DCS1800/PCS1900 PA block, impedancematching circuitry for 50 Ω input and output impedances, Tx harmonic filtering, high linearitylow insertion loss switches, and a CMOS Power Amplifier Control (PAC) block. A custom silicon integrated circuit contains decoder circuitry to control the RF switch while providing a low current external control interface. An integrated temperature sensor provides an analog voltage based on the temperature of the module. Fabricated in InGaP/GaAs, the Heterojunction Bipolar Transistor (HBT) PA blocks support the GSM850/900 bands and DCS1800/PCS1900 bands. Both PA blocks share common power supply pads to distribute current. The output of the PA block and the outputs to the seven receive pads connect to the antenna pad through a highly linear antenna switch. The WCDMA and Rx ports feature a near 0 volts DC offset level, which eliminates any need for external blocking capacitors. The InGaP/GaAs die, switch die, Silicon (Si) controller die, and passive components are mounted on a multi-layer laminate substrate and the entire assembly is encapsulated with plastic overmold.
技术特性
- Small, low profile package
- 6 mm x 6 mm x 0.9 mm
- 28-pad configuration
- Low input power range
- 0 to 6 dBm
- High efficiency
- GSM850 41%
- GSM900 41%
- DCS 40%
- PCS 40%
- Tx-VCO-to-antenna and antenna-to-Rx-SAW filter RF interface
- Tx harmonics below -38 dBm
• Wideband envelope control path
• Input/Output matching 50 Ω internal
• Low APC current 20 μA
• High impedance control inputs 15 μA, typical
• Integrated module temperature sensor
订购信息 Ordering Information
|
应用领域 APPLICATION
- Quad-band cellular handsets encompassing
- Class 4 GSM850/900
- Class 1 DCS1800 PCS1900
- Class 12 GPRS multi-slot operation
- EDGE polar modulation
- Triple band WCDMA antenna switch support
功能框图 Functional Block Diagram

|