SKY77555 Tx–Rx FEM Based on CMOS PA for Dual-Band
GSM / GPRS (880–915 MHz and 1710–1785 MHz)
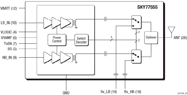
The SKY77555 is a transmit and receive front-end module (FEM) based on CMOS Power Amplifier for dual-band cellular handsets comprising GSM900 and DCS1800 operation. Designed in a low profile, compact form factor, the SKY77555 offers a complete Transmit VCO-to-Antenna and Antenna-to- Receive SAW filter solution. The FEM also supports Class 12 General Packet Radio Service (GPRS) multi-slot operation. The module consists of a GSM900/DCS1800 CMOS PA, Tx harmonics filtering, high linearity and low insertion loss PHEMT RF switches, and diplexer. The CMOS device integrates a full dual-band GSM/GPRS power amplifier function. High accuracy power control and ramping is achieved on the CMOS chip via a closed loop power control system. Current drain is limited under load mismatch conditions via the nature of the innovative power control circuit. The output of the CMOS PA die and the outputs to the two receive pads are connected to the antenna pad through PHEMT RF switches and a diplexer. The CMOS die, PHEMT die, and passive components are mounted on a multi-layer laminate substrate. The assembly is encapsulated with plastic overmold.
技术特性
- Efficiency
- 36% GSM (33.0 dBm)
- 29% DCS (30.5 dBm)
- Log linear power control response with <100 dB/V power control slope
- Low Rx band noise
- Supply current
- 1.58 A GSM (33.0 dBm)
- 1.10 A DCS (30.5 dBm)
- Fully integrated closed loop
- 50 Ω matched Input/Output
- Tx–VCO-to-antenna and antenna-to-Rx-SAW filter RF interface
- PHEMT RF switches afford high linearity, low insertion loss, and low current in receive modes
- Small, low profile package
- 5 mm x 6 mm x 1.05 mm
- Compatible with multiple logic families
|
订购信息 Ordering Information
应用领域 APPLICATION
- Dual-band cellular handsets encompassing
- Class 4 GSM900
- DCS1800
- Class 12 GPRS multi-slot operation
功能框图 Functional Block Diagram

|