技术特性
- Usable bandwidth of 4.0 MHz
- Typical 3 dB bandwidth of 4.45 MHz
- Low loss
- High attenuation
- Single-ended operation, 50 Ohm
- Ceramic Surface Mount Package (SMP)
- Hermetic
854658 产品实物图

|
技术指标
| 频率(MHz) |
带宽 (MHz) |
插入损耗 (dB) |
操作模式 |
封装(mm) |
| 70 |
4.0 |
7.5 max |
SE |
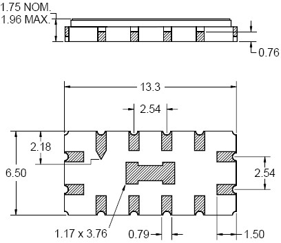
13.3 x 6.5 |
订购信息 Ordering Information
封装外形Package Outline
 |