简体中文
English
器件型号
文档资源
>
MANUFACTURERS 品牌厂家
PRODUCTS 产品服务
SUPPORT 设计支持
首页
>
TriQuint
>
标准 70 MHz 滤波器系列
854664 滤波器 - STD 低损耗
技术指标
频率(MHz)
带宽 (MHz)
插入损耗 (dB)
操作模式
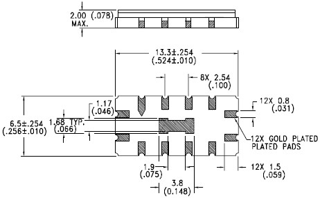
封装(mm)
70
9
10.5 max
SE
13.3 x 6.5
订购信息 Ordering Information
854664
封装外形Package Outline
应用技术支持与电子电路设计开发资源下载
版本信息
大小
854664:
S 参数Matched
854664:
S 参数Unmatched
854664:
封装信息
854664 数据资料DataSheet下载
:PDF
Rev.V2
2 页
About 关于我们
Sitemap 网站导航
Privacy 隐私条款