技术特性
- Typical 3 dB bandwidth of 18.5 MHz
- Low loss
- High attenuation
- Single-ended operation
- Ceramic Surface Mount Package (SMP)
- Small size
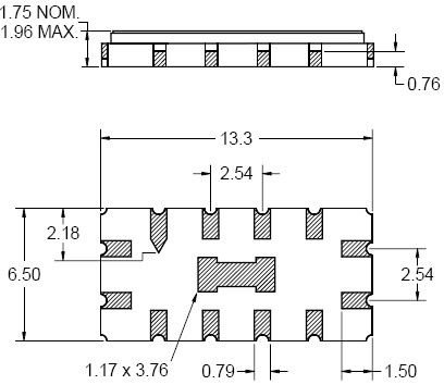
- Dimensions: 13.30 x 6.50 x 1.75 mm
- Hermetic, RoHS compliant, lead-free
854670 产品实物图

|
技术指标
| 频率(MHz) |
带宽 (MHz) |
插入损耗 (dB) |
操作模式 |
封装(mm) |
| 70 |
20 |
15.0 max |
SE |
13.3 x 6.5 |
订购信息 Ordering Information
封装外形Package Outline
 |