854833-1 CDMA BTS滤波器

The 854833-1 is a high rejection Intermediate Frequency (IF) filter for use in narrowband wireless communications systems. The center frequency of this filter is 150 MHz and the bandwidth is 1.18 MHz. The insertion loss is 25 dB maximum and the filter is packaged in a hermetic surface-mounted package.

技术指标
频率(MHz) 带宽 (MHz) 插入损耗 (dB) 操作模式 封装(mm)
150 1.18 25.0 max SE, BAL 19.0 x 6.5
应用领域 APPLICATION
  • Transceivers
订购信息 Ordering Information
  • 854833-1
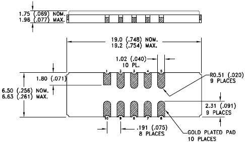
封装外形Package Outline
854833-1 封装外形
应用技术支持与电子电路设计开发资源下载 版本信息 大小
854833-1:封装信息    
854833-1 数据资料DataSheet下载:PDF Rev.V2 2 页