854909 滤波器 - STD 低损耗

技术特性
  • Usable bandwidth of 4 MHz
  • Typical 3 dB bandwidth of 4.6 MHz
  • Low loss
  • High attenuation
  • Single-ended operation, 50 Ohm
  • Ceramic Surface Mount Package (SMP)
  • Hermetic
854909 产品实物图

854909 产品实物图

技术指标
频率(MHz) 带宽 (MHz) 插入损耗 (dB) 操作模式 封装(mm)
140 4 12.5 max SE 13.3 x 6.5
订购信息 Ordering Information
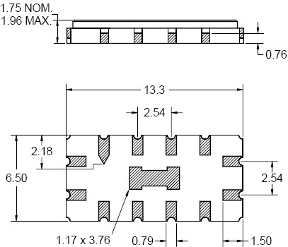
封装外形Package Outline
854909 封装外形
应用技术支持与电子电路设计开发资源下载 版本信息 大小
854909:S 参数Matched    
854909:S 参数Unmatched    
854909:封装信息    
854909 数据资料DataSheet下载:PDF Rev.V2 2 页