854920 滤波器 - STD 低损耗

The TriQuint 854920 is a high rejection Intermediate Frequency (IF) filter for use in wideband wireless communications systems. The center frequency of this filter is 140 MHz and the bandwidth is 18 MHz. The insertion loss is 12 dB maximum and the filter is packaged in a hermetic surface-mounted package.

应用领域 APPLICATION
  • Transceivers
技术指标
频率(MHz) 带宽 (MHz) 插入损耗 (dB) 操作模式 封装(mm)
140 18 12.0 max SE 13.3 x 6.5
订购信息 Ordering Information
  • 854920
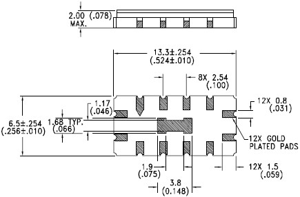
封装外形Package Outline
854920 封装外形
应用技术支持与电子电路设计开发资源下载 版本信息 大小
854920:S 参数Matched    
854920:S 参数Unmatched    
854920:封装信息    
854920 数据资料DataSheet下载:PDF Rev.V2 2 页