简体中文
English
器件型号
文档资源
>
MANUFACTURERS 品牌厂家
PRODUCTS 产品服务
SUPPORT 设计支持
首页
>
TriQuint
>
中频滤波器
855104 宽带接入滤波器
技术指标
频率(MHz)
带宽 (MHz)
插入损耗 (dB)
操作模式
封装(mm)
499.25
1
9.0 max
SE
9.0 x 7.0
订购信息 Ordering Information
855104
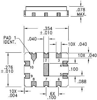
封装外形Package Outline
应用技术支持与电子电路设计开发资源下载
版本信息
大小
855104:
S 参数Matched
855104:
S 参数Unmatched
855104:
封装信息
855104 数据资料DataSheet下载
:PDF
Rev.V2
2 页
About 关于我们
Sitemap 网站导航
Privacy 隐私条款