855271 与 TI WiMAX 芯片组工作

The TriQuint 855271 is a high rejection Intermediate Frequency (IF) filter for use in narrowband wireless communications systems. The center frequency of this filter is 86.6 MHz and the bandwidth is 0.4 MHz. The insertion loss is 6.5 dB maximum and the filter is packaged in a hermetic surface-mounted package.

技术特性
  • Usable bandwidth of 9 MHz
  • High attenuation
  • Single-ended operation at 50 Ohm
  • Ceramic Surface Mount Package (SMP)
  • Hermetic
  • RoHS compliant (2002/95/EC), lead-free
855271 产品实物图

855271 产品实物图

技术指标
频率(MHz) 带宽 (MHz) 插入损耗 (dB) 操作模式 封装(mm)
479.75 9.0 22.0 SE 7.0 x 5.5
订购信息 Ordering Information
  • 855271
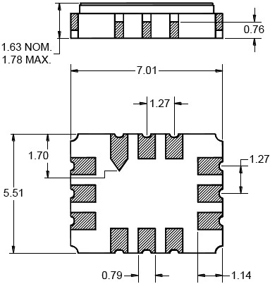
封装外形Package Outline
855271 封装外形
应用技术支持与电子电路设计开发资源下载 版本信息 大小
855271:封装信息    
855271 数据资料DataSheet下载:PDF Rev.V2 2 页