技术特性
- Usable bandwidth of 20 MHz
- High attenuation
- Single-ended operation at 50 Ohm
- Ceramic Surface Mount Package (SMP)
855272 产品实物图

|
应用领域 APPLICATION
技术指标
| 频率(MHz) |
带宽 (MHz) |
插入损耗 (dB) |
操作模式 |
封装(mm) |
| 479.75 |
20.0 |
13.0 max |
SE |
7.0 x 5.5 |
订购信息 Ordering Information
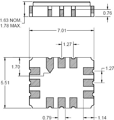
封装外形Package Outline
 |