855377 无线数据滤波器

技术特性
  • Usable bandwidth of 1 MHz
  • High attenuation
  • Single-ended operation at 50 Ohm
  • Ceramic Surface Mount Package (SMP)
  • Small size
855377 产品实物图

855377 产品实物图

应用领域 APPLICATION
  • Wireless Data
技术指标
频率(MHz) 带宽 (MHz) 插入损耗 (dB) 操作模式 封装(mm)
350 1 10.0 max SE, BAL 7.0 x 5.5
订购信息 Ordering Information
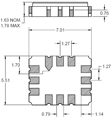
封装外形Package Outline
855377 封装外形
应用技术支持与电子电路设计开发资源下载 版本信息 大小
855377:S 参数Matched    
855377:S 参数Unmatched    
855377:封装信息    
855377 数据资料DataSheet下载:PDF Rev.V2 2 页