技术特性
- Usable bandwidth of 1.18 MHz
- Low loss
- High attenuation
- Single-ended operation
- Ceramic Surface Mount Package (SMP)
- Small size
855395 产品实物图

|
应用领域 APPLICATION
技术指标
| 频率(MHz) |
带宽 (MHz) |
插入损耗 (dB) |
操作模式 |
封装(mm) |
| 141 |
1.18 |
14.0 max |
SE |
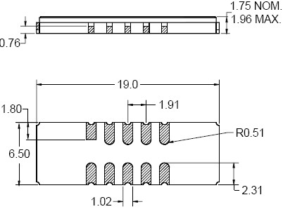
19.0 x 6.5 |
订购信息 Ordering Information
封装外形Package Outline
 |