简体中文
English
器件型号
文档资源
>
MANUFACTURERS 品牌厂家
PRODUCTS 产品服务
SUPPORT 设计支持
首页
>
TriQuint
>
中频滤波器
855561 3G BTS 滤波器
技术指标
频率(MHz)
带宽 (MHz)
插入损耗 (dB)
操作模式
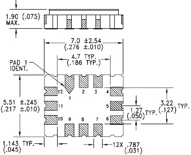
封装(mm)
398
4.3
12.3 max
Bal
7.0 x 5.5
订购信息 Ordering Information
855561
封装外形Package Outline
应用技术支持与电子电路设计开发资源下载
版本信息
大小
855561:
封装信息
855561 数据资料DataSheet下载
:PDF
Rev.V2
2 页
About 关于我们
Sitemap 网站导航
Privacy 隐私条款