855653 无线数据滤波器

技术特性
  • Usable bandwidth of 17 MHz
  • Single-ended or balanced operation
  • Configurable to 50 Ohm and 200 Ohm input and output impedance
  • Ceramic Surface Mount Package (SMP)
  • Hermetic
  • RoHS compliant (2002/95/EC), lead-free
技术指标
频率(MHz) 带宽 (MHz) 插入损耗 (dB) 操作模式 封装(mm)
374 17 11.0 max SE, BAL 7.0 x 5.5
855653 产品实物图

855653 产品实物图

 

应用领域 APPLICATION
  • Wireless LAN (WLAN)
订购信息 Ordering Information
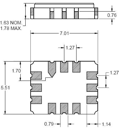
封装外形Package Outline
855653 封装外形
应用技术支持与电子电路设计开发资源下载 版本信息 大小
855653:S 参数Matched    
855653:S 参数Unmatched    
855653:封装信息    
855653 数据资料DataSheet下载:PDF Rev.V2 2 页