技术特性
- Usable bandwidth of 5.16 MHz
- High attenuation
- Single-ended operation
- Ceramic Surface Mount Package (SMP)
- Hermetic
- RoHS compliant (2002/95/EC), lead-free
技术指标
| 频率(MHz) |
带宽 (MHz) |
插入损耗 (dB) |
操作模式 |
封装(mm) |
| 426 |
5.16 |
20.5 max |
SE |
15.3 x 6.5 |
855731 产品实物图
 |
应用领域 APPLICATION
- Broadband Wireless Access and VOFDM
订购信息 Ordering Information
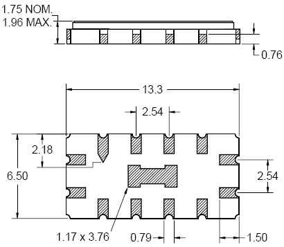
封装外形Package Outline
 |