技术特性
- Usable bandwidth of 25 MHz
- Low loss
- No impedance matching required for operation at 50 Ohm
- Single-ended operation
- Ceramic Surface Mount Package (SMP)
- Hermetic
- RoHS compliant (2002/95/EC), lead-free
订购信息 Ordering Information
855821 产品实物图

|
应用领域 APPLICATION
技术指标
| 频率(MHz) |
带宽 (MHz) |
插入损耗 (dB) |
操作模式 |
封装(mm) |
| 836.5 |
25.0 |
1.9 typ |
SE |
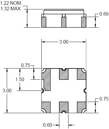
3.0 x 3.0 |
封装外形Package Outline
 |