855914 3G -BTS滤波器

The TriQuint 855914 is a high rejection Intermediate Frequency (IF) filter for use in wideband wireless communications systems. The center frequency of this filter is 326.4 MHz and the bandwidth is 15 MHz. The insertion loss is 17 dB maximum and the filter is packaged in a hermetic surface-mounted package.

技术特性
  • 15 MHz bandwidth for high data rates
  • High attenuation
  • Single-ended operation at 50 Ohm
  • Ceramic Surface Mount Package (SMP)
  • Hermetic
  • RoHS compliant (2002/95/EC), lead-free
技术指标
频率(MHz) 带宽 (MHz) 插入损耗 (dB) 操作模式 封装(mm)
326.4 15 17.0 max SE 7.0 x 5.5
订购信息 Ordering Information
  • 855914
855914 产品实物图

855914 产品实物图

应用领域 APPLICATION
  • Transceivers
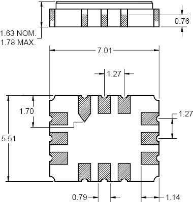
封装外形Package Outline
855914 封装外形

 

应用技术支持与电子电路设计开发资源下载 版本信息 大小
855914:S 参数Matched    
855914:S 参数Unmatched    
855914:封装信息    
855914 数据资料DataSheet下载:PDF Rev.V2 2 页