855954 无线数据滤波器

The TriQuint 855954 is a high rejection Intermediate Frequency (IF) filter for use in wideband wireless communications systems. The center frequency of this filter is 380 MHz and the bandwidth is 5 MHz. The insertion loss is 11 dB maximum and the filter is packaged in a hermetic surface-mounted package.

技术特性
  • Usable bandwidth of 4 MHz
  • Single-ended operation
  • Ceramic Surface Mount Package (SMP)
  • Small size
应用领域 APPLICATION
  • Transceivers
订购信息 Ordering Information
855954 产品实物图

855954 产品实物图

 

技术指标
频率(MHz) 带宽 (MHz) 插入损耗 (dB) 操作模式 封装(mm)
380 5 11.0 max SE 3.8 x 3.8
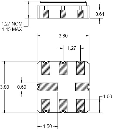
封装外形Package Outline
855954 封装外形
应用技术支持与电子电路设计开发资源下载 版本信息 大小
855954:S 参数Matched    
855954:S 参数Unmatched    
855954:封装信息    
855954 数据资料DataSheet下载:PDF Rev.V2 2 页