855992 CDMA BTS滤波器

The TriQuint 855992 is a high rejection Intermediate Frequency (IF) filter for use in narrowband wireless communications systems. The center frequency of this filter is 240 MHz and the bandwidth is 3.75 MHz. The insertion loss is 16.5 dB maximum and the filter is packaged in a hermetic surface-mounted package.

技术特性
  • Usable bandwidth of 3.6 MHz
  • Low loss
  • High attenuation
  • Single-ended operation
  • Ceramic Surface Mount Package (SMP)
  • Small size
订购信息 Ordering Information
  • 855992
855992 产品实物图

855992 产品实物图

应用领域 APPLICATION
  • Transceivers
技术指标
频率(MHz) 带宽 (MHz) 插入损耗 (dB) 操作模式 封装(mm)
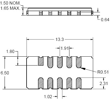
240 3.75 16.5 max SE 13.3 x 6.5
封装外形Package Outline
855992 封装外形

 

应用技术支持与电子电路设计开发资源下载 版本信息 大小
855992:封装信息    
855992 数据资料DataSheet下载:PDF Rev.V2 2 页