技术特性
- Typical 3 dB bandwidth of 28.5 MHz
- High attenuation
- Single-ended operation
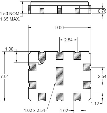
- Ceramic Surface Mount Package (SMP)
- Small size
- Replaces part # 851935
订购信息 Ordering Information
856019 产品实物图

|
应用领域 APPLICATION
技术指标
| 频率(MHz) |
带宽 (MHz) |
插入损耗 (dB) |
操作模式 |
封装(mm) |
| 140 |
28 |
21.0 max |
SE |
9.0 x 7.0 |
封装外形Package Outline
 |