技术特性
- Typical 3 dB bandwidth of 65 MHz
- High attenuation
- Single-ended operation
- Ceramic Surface Mount Package (SMP)
- Small size
- Replaces part # 851948 (BW 3dB = 64 MHz)
订购信息 Ordering Information
856020 产品实物图

|
应用领域 APPLICATION
技术指标
| 频率(MHz) |
带宽 (MHz) |
插入损耗 (dB) |
操作模式 |
封装(mm) |
| 140 |
64 |
20.0 max |
SE |
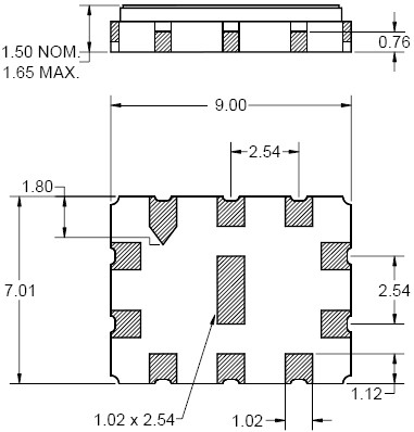
9.0 x 7.0 |
封装外形Package Outline
 |