856067 STD 140高选择性滤波器

技术特性
  • Typical 3 dB bandwidth of 7.1 MHz
  • High attenuation
  • Single-ended operation
  • Ceramic Surface Mount Package (SMP)
  • Replaces part # 851915 (BW 3dB = 7.0 MHz)
  • Hermetic
  • RoHS compliant (2002/95/EC), lead-free
订购信息 Ordering Information
856067 产品实物图

856067 产品实物图

应用领域 APPLICATION
  • Broadband
技术指标
频率(MHz) 带宽 (MHz) 插入损耗 (dB) 操作模式 封装(mm)
140 7 25.5 max SE 13.3 x 6.5
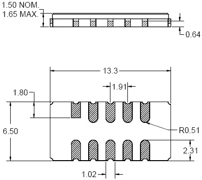
封装外形Package Outline
856067 封装外形
应用技术支持与电子电路设计开发资源下载 版本信息 大小
856067:S 参数Matched    
856067:S 参数Unmatched    
856067:封装信息    
856067 数据资料DataSheet下载:PDF Rev.V2 2 页