技术特性
- Typical 3 dB bandwidth of 8.2 MHz
- High attenuation
- Single-ended operation
- Ceramic Surface Mount Package (SMP)
- Replaces part # 851917 (BW 3dB = 8 MHz)
- Hermetic
- RoHS compliant (2002/95/EC), lead-free
订购信息 Ordering Information
856068 产品实物图

|
应用领域 APPLICATION
技术指标
| 频率(MHz) |
带宽 (MHz) |
插入损耗 (dB) |
操作模式 |
封装(mm) |
| 140 |
8.2 |
24.6 max |
SE |
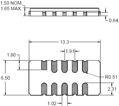
13.3 x 6.5 |
封装外形Package Outline
 |