技术特性
- Typical 3 dB bandwidth of 10 MHz
- High attenuation
- No impedance matching required for operation at 50 Ohm
- Single-ended operation
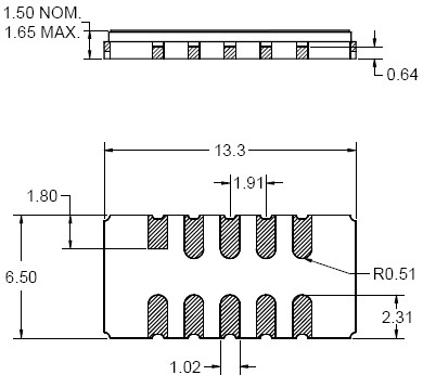
- Ceramic Surface Mount Package (SMP)
- Replaces part # 851921 (BW 3dB = 10 MHz)
- Hermetic
- RoHS compliant (2002/95/EC), lead-free
订购信息 Ordering Information
856069 产品实物图

|
应用领域 APPLICATION
技术指标
| 频率(MHz) |
带宽 (MHz) |
插入损耗 (dB) |
操作模式 |
封装(mm) |
| 140 |
10 |
21.7 max |
SE |
13.3 x 6.5 |
封装外形Package Outline
 |