技术特性
- Usable bandwidth 26 MHz
- Low loss
- High attenuation
- No impedance matching required for operation at 50 Ohm
- Single-ended operation
- Chip Scale Package (CSP)
- Small size
技术指标
| 频率(MHz) |
带宽 (MHz) |
插入损耗 (dB) |
操作模式 |
封装(mm) |
| 915 |
26 |
2.3 |
Single-Ended |
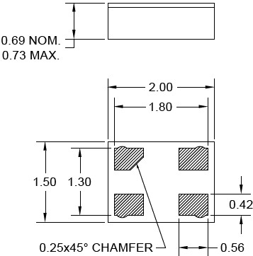
2.00 x 1.50 x 0.76 |
856327 产品实物图

|
应用领域 APPLICATION
- Industrial, Scientific and Medical (ISM)
订购信息 Ordering Information
封装外形Package Outline
 |