技术特性
- Usable bandwidth of 18 MHz
- High attenuation
- Single-ended operation
- Ceramic Surface Mount Package (SMP)
- Hermetic
- RoHS compliant (2002/95/EC), lead-free
订购信息 Ordering Information
856339 产品实物图

|
应用领域 APPLICATION
技术指标
| 频率(MHz) |
带宽 (MHz) |
插入损耗 (dB) |
操作模式 |
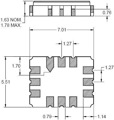
封装(mm) |
| 970 |
18 |
24.7 |
SE / SE |
7.0 x 5.5 |
封装外形Package Outline
 |